

燃氣導熱油鍋爐低氮分體式熱風燃燒機對燃料所需的空氣進行預熱,使燃料充分燃燒及提高爐膛溫度。

燃氣導熱油鍋爐的低過量空氣燃燒技術使燃燒過程盡可能在接近理論空氣量的條件下進行,隨著煙氣中過量氧的減少,可以抑制NOX的生成。這是一 種***簡單的降低Nox排放的方法。一般可降低NOX排放15-20%。但如爐內氧濃度過低(3% 以下),會造成燃料濃度急劇增加,造成燃料不完全燃燒引起積碳量增加,燃燒效率下降。因此在鍋爐設計和運行時,應選取***合理的過量空氣系數。
燃氣導熱油鍋爐的空氣分級燃燒技術
燃氣導熱油鍋爐的基本原理是將燃料的燃燒過程分階段完成。在***階段將從主燃燒器供入爐膛的空氣量減少到總燃燒空氣量的70-75%(相當于理論空氣量的80%),使燃料先在缺氧的富燃料燃燒條件下燃燒。此時***級燃燒區內過量空氣系數a<1, 因而降低了燃燒區內的燃燒速度和溫度水平。因此,不但延遲了燃燒過程,而且在還原性氣氛中降低了NOx的反應率,抑制了NOX在這一燃燒中的生成量。為了完成全部燃燒過程,完全燃燒所需的其余空氣則通過布置在主燃燒器上方的專門空氣噴口OFA(over fire air)一一稱為火上風”噴口送入爐膛,與***級燃燒區在 “貧氧燃燒” 條件下所產生的煙氣混合,在a>1的條件下完成全部燃燒過程。由千整個燃燒過程所需空氣是分 兩級供入爐內,故稱為空氣分級燃燒法。
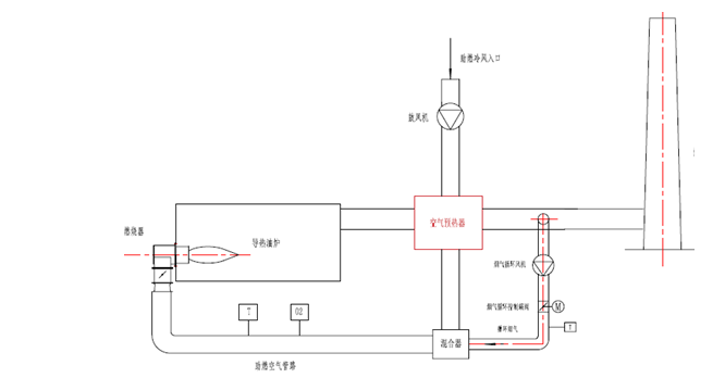
燃氣導熱油鍋爐的煙氣再循環技術
燃氣導熱油鍋爐的煙氣再循環法降低NOX排放的 效果與燃料品種和煙氣再循環有關。經驗表明,煙氣再循環率為15-20%時,燃氣爐的NOX排放濃度可降低25%左右。NOX的 降低率隨著煙氣再循環率的增加而增加。而且與燃料種類和燃燒溫度有關。燃燒溫度越高,煙氣再循環率對NOX降低率的影響越大。
燃氣導熱油鍋爐的獨立風機煙氣再循環示意圖

燃氣導熱油鍋爐的煙氣再循環原理:將部分低溫煙氣直接送入爐內,或與空氣(一次風或二次風)混合送入爐內,因煙氣吸熱和稀釋了氧濃度,使燃燒速度和爐內溫度降低,因而熱力NOX減少,可減少50-70%。
客戶如需要購買:燃氣導熱油鍋爐,燃氣導熱油爐,燃氣蒸汽鍋爐,燃氣熔鹽爐,燃氣熔鹽加熱爐,燃氣熱風爐,電加熱導熱油爐,請關注常州市上能鍋爐有限公司網站(www.czrsgl.com、m.xinyidafrp.cn、 www.czsngl.com www.rsdryl.com )請聯系熱能***人士芮總,電話:0519-82052399