
常州市上能鍋爐有限公司***制造以導熱油為介質的低氮燃氣導熱油爐,低氮燃氣導熱油鍋爐,其規格為(10-2000萬大卡)供熱溫度高達350℃,供生產過程所需熱能的用熱設備供熱。
![]() | ![]() | ![]() |
燃氣導熱油爐,燃氣導熱油鍋爐用途:
常州市上能鍋爐有限公司***制造的燃氣導熱油爐,燃氣導熱油鍋爐產品,廣泛應用于石油、化工、紡織、印染、塑料、涂裝,公路建設、木材及人造板等多個領域,其發展至今,已成為國民經濟中必不可少的節能型供熱設備。

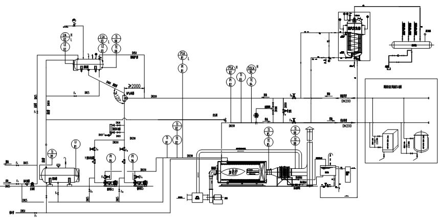
燃氣導熱油爐,燃氣導熱油鍋爐供熱系統的工作原理:
燃氣導熱油爐供熱系統是以燃氣導熱油爐為核心,各附屬設備、儀器儀表、用熱設備組成燃氣導熱油爐供熱系統。
燃氣導熱油爐的工作原理就是將導熱油作為傳輸熱能的中間載體,將燃料燃燒產生的熱能,通過燃氣導熱油爐受熱面把熱能傳遞給導熱油,使導熱油被加熱到一定的溫度,然后用熱油循環油泵將其送入用熱設備,釋放熱能后的低溫導熱油再返回燃氣導熱油爐中重新被加熱。如此循環往復,即可達到燃氣導熱油爐向外界供熱的目的。
YY(Q)W 15~200 ×104kcal/h燃氣導熱油鍋爐型號規格參數表

YY(Q)W 250~1200 ×104kcal/h燃氣導熱油鍋爐型號規格參數

常州市上能鍋爐有限公司在多年設計和制造燃氣導熱油爐經驗的同時,吸收和消化歐美其它國家在燃氣導熱油爐行業的先進技術,站在用戶的立場,設計時充分考慮產品的實用性、經濟性和安全性。
燃氣導熱油爐,燃氣導熱油鍋爐產品性能特點:
● 燃氣導熱油爐主機采用新型燃燒、節能、環保技術。
● 為用戶提供穩定的高溫熱源,產品均具有10%設計余量;
● 系統具有***率,低能耗的經濟設計,使導熱油爐整體熱效率大于92%;
● 具備不損傷熱載體的爐體構造,可以使熱媒的使用壽命大大延長;
● 采用國內同行***先進的自控手段,使導熱油總管出口溫度控制在±1℃;
● 有完善的安全檢測裝置,防止燃氣導熱油爐危險運行狀態的出現;
● 整體系統及每臺設備維修、檢查簡便。
![]() | ![]() |
燃氣導熱油爐,燃氣導熱油鍋爐產品優勢:
1.采用較大安全富裕量設計方案,換熱面積大,出力足,熱效率高;具備一定的超負荷能力。
2.經科學嚴謹設計計算的串聯式螺旋盤管,保證高溫煙氣及熱載體的***優化運動,***大程度提高換熱效率與換熱速率,保證爐體在***率、低能耗下運行。
3.獨特的錐形盤管技術輔以先進的陶瓷纖維折疊模塊,永不塌頂。
4.爐管的支承采用能夠有效釋放熱膨脹應力的結構,采用高溫耐熱合金鋼,安全可靠,壽命長。
5.爐管采用國內***鍋爐管,腐蝕余量大,所有爐管等關鍵點焊接均有中級以上焊工施行可靠、精湛的氬弧焊焊接,保證產品的***品質。
6.熱媒爐總裝后外殼直徑偏差應控制在3.5mm以內;高度偏差控制在10mm以內。爐管在直徑方向***大允許偏差為5mm;但盤管相鄰兩根管子在直徑方向***大允許偏差為3mm,平面錯位***大允許偏差為3mm。
7.采用嚴格的工藝評定和質檢標準,所有的材料均經過理化實驗、化學性能試驗、焊接工藝評定、多種射線探傷,并經通球試驗、水壓試驗、總裝復檢等程序,所有檢測標準均采用同行業內***高的企業內控標準。***好的制造材料和嚴格的檢測手段,保證產品長久的使用壽命。
8.選配的燃燒器質量穩定,性能優異,能效及自動化程度高,故障率低,能***大程度滿足燃燒要求。煙塵排放符合 GB13271-2014 的規定,噪音、污染物排放應符合環保要求。
9.先進的控制系統可充分保證加熱爐長期安全穩定運行,具有完備的故障聯鎖、報警和手、自動功能,操控安全可靠、簡單美觀。
10.擁有同行業內***大的盤管煨彎機,自行研制開發的專用工裝設備充分保證大口徑爐管的加工生產能力。
11.強大可靠的服務保障,公司具有***的工程服務隊伍,提供******的工程服務,徹底解決用戶的后顧之憂。
12.環保***新技術的燃燒系統配置,可適應任何環保控制區域的要求。鍋爐氮氧化物低排放(氮氧化物排放<30mg/m3以下,符合國家新的排放標準)
請聯系常州市上能鍋爐有限公司
熱能***人士芮先生,電話:0519-82052399