
7. 燃氣導熱油爐排放標準
燃氣導熱油爐是以天燃氣為燃料,燃燒器提供熱量,導熱油為熱載體,通過循環泵強制液相循環將熱能輸送給一個或多個用熱設備,換熱后返回到燃氣導熱油鍋爐,燃氣導熱油爐,燃氣導熱油加熱爐重新加熱的直流式特種工業爐。

由于燃氣導熱油鍋爐,燃氣導熱油爐,燃氣導熱油加熱爐,具有較低壓力下獲得較高工作溫度、工作溫度穩定、具有完善的運行控制和安全監測裝置的特點,被廣泛應用于生產工藝中需要溫度的各個工業領域。

但隨著國家環保排放標準的提高,對不同的地區燃氣導熱油爐的使用排放,有著不同的環保排放標準,特別是對氮氧化物排放要求更嚴格。
北京,鄭州,西安,寶雞,咸陽,渭南,銅川,成都,山西等地區氮氧化物排放小于30毫克/每立方米。
上海,杭州,長三角地區氮氧化物排放小于50毫克/每立方米。
其他地區執行的氮氧化物排放標準有80毫克/每立方米。150毫克/每立方米。
為此,爭對不同地區的氮氧化物排放標準應選擇不同的超低氮排放燃氣燃燒器。
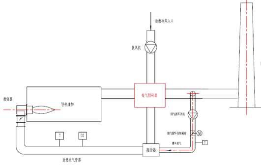
燃氣導熱油爐,選用分體式超低氮燃氣燃燒器,帶FGR煙氣外循環技術降低氮氧化物排放,是***節能又環保的***好方案。

就是燃氣導熱油爐,使用自身所帶的燃燒器風機,將從煙囪收集的煙氣與燃燒空氣混合。煙氣流量通過電動蝶閥調節,該閥由燃燒器程控器控制。將部分煙氣回收進入燃燒器再次利用,進入爐膛的熱風可提***率,更節能。
導熱油爐配低氮分體式燃燒器實樣:供用戶了解
![]() | ![]() |
客戶如需要采購燃氣導熱油爐,可咨詢常州市上能鍋爐有限公司芮總,聯系電話:13815029577并關注公司網站:www.czrsgl.com