導熱油電加熱循環設備是化工反應釜加溫的首選方案
相關產品:
化工反應釜是一種用于實現化學反應的密閉容器,主要功能包括提供反應場所、控制反應條件、促進混合與傳熱,以及實現自動化操作。應用領域:石油化工、醫藥制造、食品加工等,用于聚合、硝化、氫化等工藝。而換熱器是一種將熱流體的部分熱量傳遞給冷流體的設備,其核心功能是實現熱量交換,滿足工業生產和日常生活中的多種需求,是反應釜加熱的首選方案。
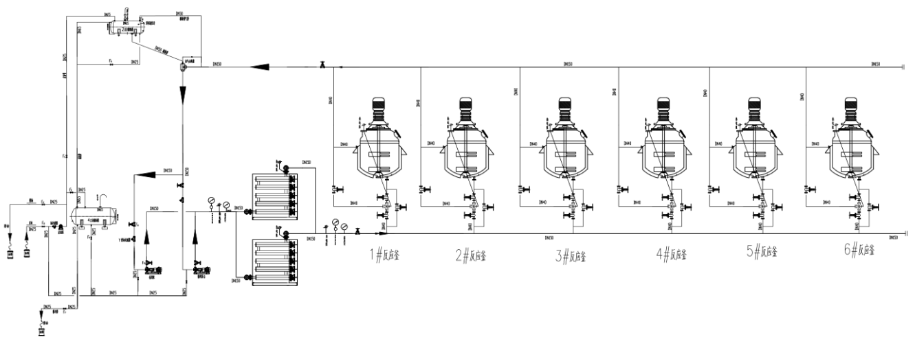
導熱油電加熱循環設備是化工反應釜加溫,換熱器的關鍵重要設備。?
導熱油電加熱循環設備由主機《導熱油電加熱器》+供熱系統的輔機:(膨脹槽、貯油槽、熱油循環泵、注油泵、油過濾器、油氣分離器)組件等組成,在工廠把這些組件合成組裝成幾個撬塊運到客戶那里組裝一個整體與客戶用熱設備連接,用戶只需接入電源、介質的進出口管道即可使用,

導熱油加熱循環設備確實是化工反應釜加溫的關鍵設備,它通過導熱油作為熱傳遞介質,實現對反應釜內物料的精確、均勻加熱。
以下是其核心功能和工作原理的詳細說明:
核心功能 :
?精準溫度控制? 導熱油具有熱穩定性好、蒸汽壓低的特點,可在較寬溫度范圍內(常溫至350℃)穩定傳遞熱量,配合PLC觸摸屏和PID調節系統,溫度控制精度可達±1℃? 。
?均勻加熱效果? :通過循環泵強制導熱油在反應釜夾套或盤管中流動,確保熱量均勻分布,避免物料局部過熱或反應不均?

?安全性與適應性:? 設備配備超溫報警、壓力開關等安全裝置,并支持多種加熱模式(如電加熱、遠紅外),適應不同化學反應需求
工作原理
導熱油加熱器通過電加熱方式將導熱油加熱,再由循環泵輸送至反應釜夾套,熱量通過夾套壁傳遞給釜內物料。系統采用密閉循環設計,膨脹容器與循環系統絕熱分離,確保高溫無油霧、低溫不吸潮?
選型與維護要點
選型關鍵參數?:需根據反應釜尺寸、物料特性及工藝需求確定加熱功率、溫度范圍(如-95℃至350℃)和控溫精度?
導熱油選擇?:高溫場景(>300℃)優先選用合成型導熱油,常規溫度(≤300℃)可用礦物油,需注意抗氧化性和系統兼容性?
維護建議?:定期檢查導熱油變質情況,清理過濾器,并確保循環泵流量與揚程匹配??
本公司真誠的期待與您攜手合作雙贏,共創輝煌!
敬請關注我公司的網站:www.czsngl.com m.xinyidafrp.cn www.czrsgl.com www.rsdryl.com 聯系電話:13815029577
返回頂部
掃一掃 關注我們